레더
레더는 Ladder Diagram의 약자입니다.
이 언어는 우리가 그나마 PLC에 사용되는 언어로 잘 알고 있는 언어입니다.
사다리 형태로 프로그래밍할 수 있기 때문에 "레더"라는 이름으로 사용되고 있습니다.
PLC언어 중 가장 많이 사용되고 있는 언어입니다.

위에서 사용되는 기호들 입니다.
왼쪽 상단에 있는 기호는 평소에는 열려있는 A접점, 오른쪽 상단에 있는 기호는 평소에는 닫혀있는 B접점, 아래에 있는 기호는 결과에 대한 기호입니다.
A접점은 신호가 들어오면 연결되고, B접점은 신호가 들어오면 연결이 끊어지는 기호입니다.

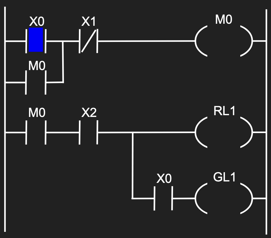
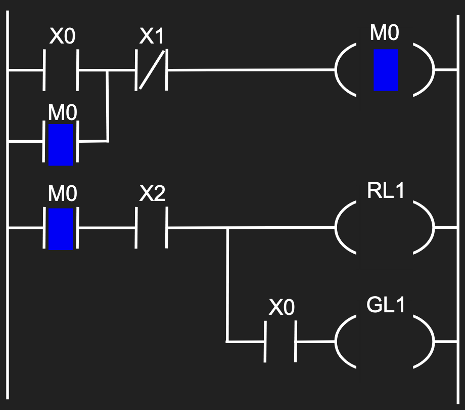
PLC의 Input에 X0, X1, X2를 연결했다, Output에는GL1(Green Lamp), RL1(Red Lamp)가 연결되어있다고 가정해보겠습니다.
아래의 사진을 보면 X0, X1, X2, M0, RL1, GL1이라는 변수들이 있습니다.
이 변수들을 조금 더 자세히 설명해보자면, X0, X1, X2는 스위치에 대한 변수명입니다.
RL1, GL1은 램프에 대한 변수명입니다.
M0는 사실 큰 의미가 있는 변수는 아닙니다.
보통 Memory를 줄여서 만든 변수 입니다.
다음줄로 이전줄의 실행 결과를 옮기고 싶을 때 사용하는 변수라고 생각하시면 됩니다.

위에 작성된 사진은 레더의 프로그램을 작성한 것입니다.
레더는 위에서부터, 왼쪽부터 오른쪽으로 글을 읽듯이 읽게 됩니다.
주로 결과(오른쪽 괄호)가 있는 줄이 연결되면 다음 줄로 넘어가는 구조로 이루어져 있습니다.
쉽게 이해하실 수 있도록 아래의 설명을 드리기 전에 미리 말씀드릴 것이 있습니다.
가로는 and연산 세로는 or 연산입니다.
차근차근 읽어보겠습니다.

X0 스위치에 신호가 들어오면 제일 윗줄이 연결되게 됩니다.
연결이 되면 결과(M0)가 켜지게 되며, 아래와 같이 제일 윗줄이 A접점(M0)가 켜지며 아래와 같이 연결되게 됩니다.

결과(M0)에 들어온 신호는 A접점(M0)로 인해 켜진 상태를 유지하게 됩니다.
따라서 X0에 연결된 스위치의 신호를 끊어도 M0가 켜진 상태를 유지하게 됩니다.
이를 우리는 "자기 유지 회로" 라고 부릅니다.

만약 이 상태에서 X1스위치가 눌리게 된다면 결과(M0)로 가는 선이 끊겨 결과(M0), A접점(M0)가 끊기게 됩니다.

위와 같은 구조로 레더 프로그램이 이루어져있습니다.
정리하자면,
PLC는 접점을 실시간으로 제어할 수 있기 때문에 A접점(X0)를 사용하는 것과 같은 구조를 여러개 사용하여 동시에 운영할 수 있습니다.
레더라는 언어에 대해서 조금 더 많은 내용을 더 자세하게 설명드리고 싶었으나, 글과 사진으로 이 내용을 담기에는 너무 많고 저에게도 힘들기 때문에 추후에 영상으로 담아보도록 하겠습니다.
어떤 내용이 있을지 가볍게 브리핑 드리자면, 메모리를 사용하여 더하기 빼기도 가능합니다.
PLC 프로그래밍을 하다보면, 제 느낌상 C언어나 Python을 사용하는데 상당히 방해가 되는 느낌을 많이 받았습니다.
뭔가 구조가 많이 다르기도하고, 생각의 틀이 완전 달라서 그런 느낌이 들었던 것 같습니다.
하지만 레더 언어도 상당히 매력적인 언어입니다.
'로봇 > 전자' 카테고리의 다른 글
| 실무자가 들려주는 PLC 선정과 결선 방법 (0) | 2021.09.26 |
|---|---|
| 실무자가 들려주는 PLC 제조사별 장단점 (3) | 2021.09.25 |
| 실무자가 들려주는 PLC 프로그래밍 언어 (0) | 2021.09.23 |
| 실무자가 들려주는 PLC, Micro Controller, 유접점 시퀀스 제어 비교 (0) | 2021.09.22 |
| 실무자가 들려주는 스테핑 모터 드라이버(모터 결선)란 (0) | 2021.09.21 |