SPI 통신이란
Serial Peripheral Interface의 약자로 한가지 혹은 두가지 선으로(직렬) 주변에 있는 기기와 통신하는 방법입니다.
SPI의 특징
1. SPI 통신은 1 : 多 통신입니다.
2. 마스터와 슬레이브라는 개념이 사용됩니다.
3. 최대 연결 가능 수 제한 없음
4. 빠른 통신 속도와 짧은 통신 거리
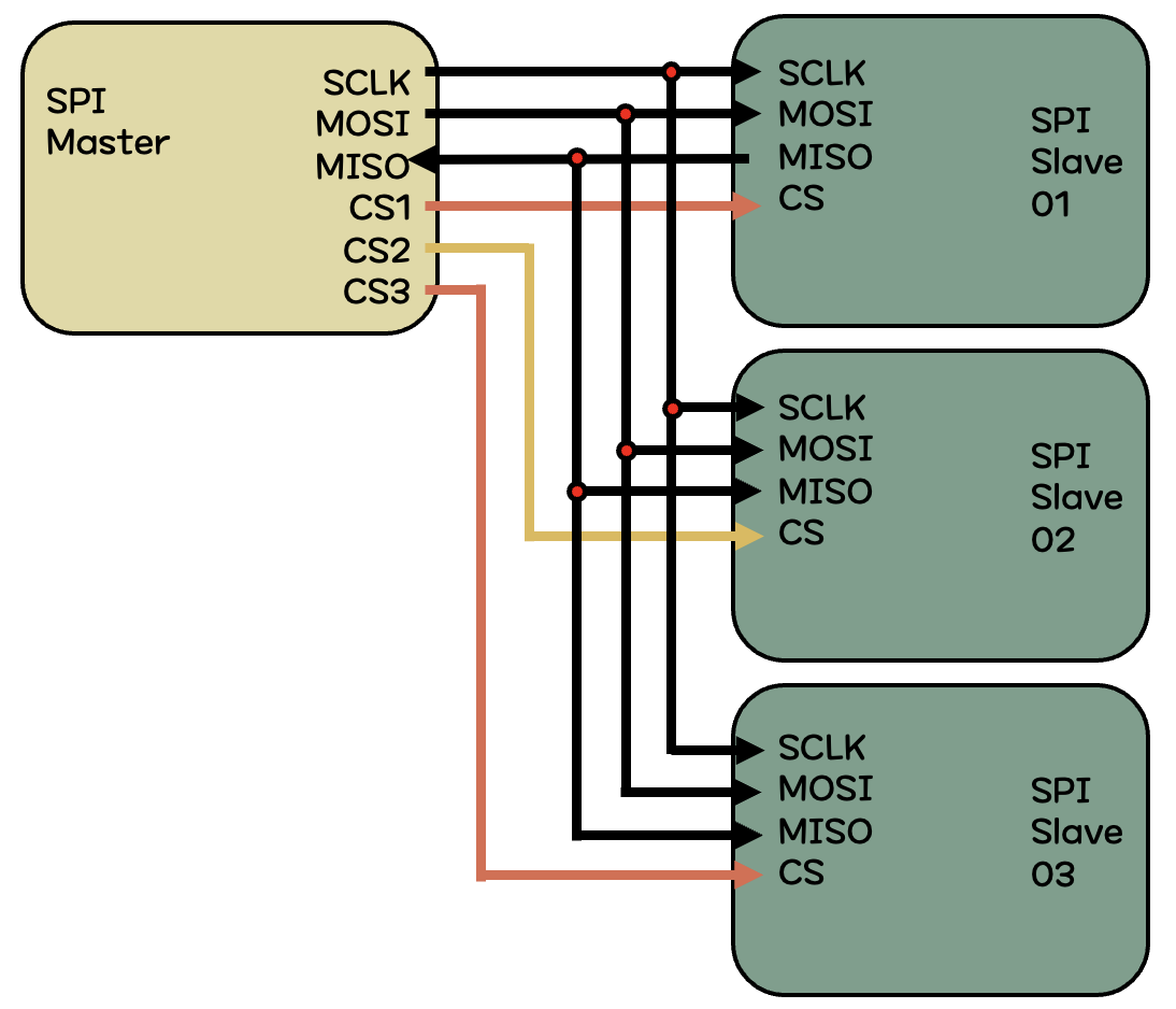
용어 정리
Master : 통신의 주체, 누구랑 통신을 할지 정하는 주체, SPI 통신의 머리
Slave : 센서와 같은 주변장치, SPI 통신의 손과 발
MOSI (Master Out Slave In) : 마스터는 출력, 슬레이브는 입력
MISO (Master In Slave Out) : 마스터는 입력, 슬레이브는 출력
CS (Chip Select) : 마스터가 누구와 통신할지 선택할때 사용하는 핀
SPI의 원리는 생각보다 간단합니다.
1개의 마스터(MCU)가 선택한 주변장치(MCU 혹은 센서)와 1 대 1로 대화를 주고 받는 통신 방법입니다.
SPI 통신은 1 대 1 통신만 가능한 문제를 해결하기 위해 개발되었습니다.
Master는 CS핀에 (HIGH->LOW)신호를 줌으로서 누구와 통신할지 정하게 된다.
Slave는 CS핀에 LOW가 들어오면 Master로 부터 들어오는 신호를 읽을 준비를 하고, HIGH 상태일 경우에는 Master로 부터 들어오는 신호를 무시한다.
이때 Master가 신호를 보내고, 슬레이브가 신호를 받는 핀을 MOSI, 그와 반대되는 핀을 MISO라고 한다.

'로봇 > 통신기술' 카테고리의 다른 글
| 실무자가 들려주는 동기식 통신과 비동기식 통신 (0) | 2021.08.15 |
|---|---|
| 실무자가 들려주는 UART/ USART 통신 (0) | 2021.08.08 |
| 실무자가 들려주는 I2C 통신 (0) | 2021.08.01 |
| 실무자가 들려주는 RS232 / RS485 통신 (0) | 2021.07.18 |
| 실무자가 들려주는 Serial 통신 기술[직렬 통신] (0) | 2021.07.11 |